All
Discover
Songs
About Us
Core Features
Help Center
How it Works
Privacy and Terms
Contact Us
Back
Filter By
+
Resistor
Ideal for voltage dividers, pull-up or pull-down applications, and signal conditioning
Resistor multi color animated icon video with white background
Neon Resistor Symbol Glow Animation, Multicolor Electric Zigzag Circuit Component Icon with Pulsating Light Effect for Electronics, Engineering Diagrams, Technical Videos, and Futuristic UI Design
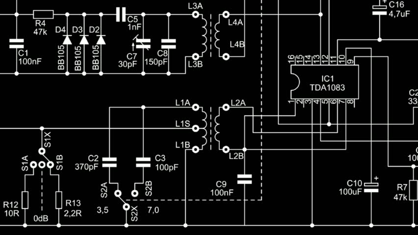
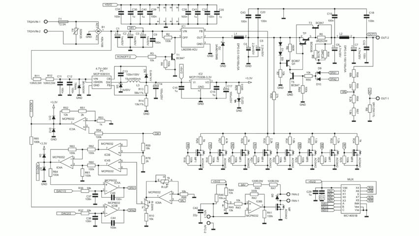
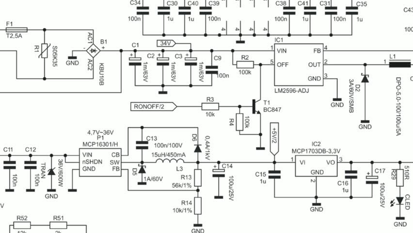
Video animation with schematic diagram of electronic device
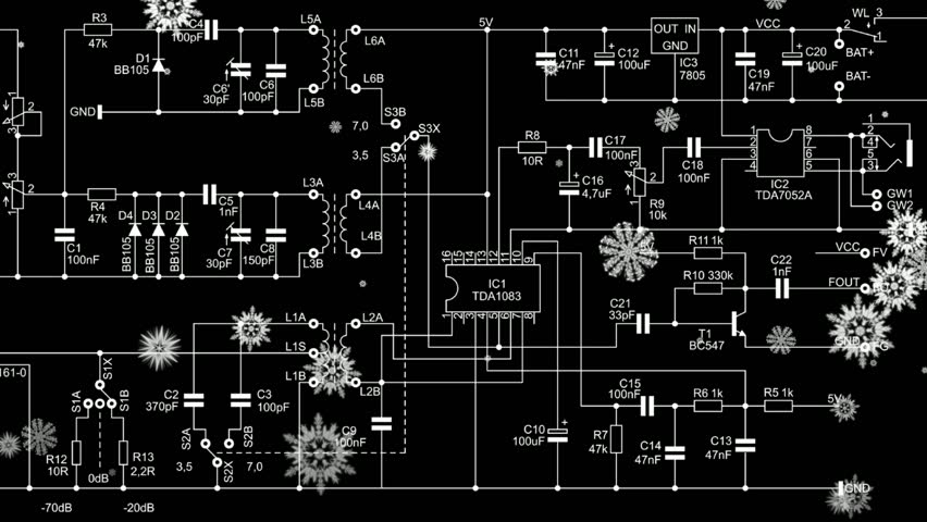
Christmas video animation with schematic diagram of electronic device
Electronics technician desolders and removes a surface mounted resistor using a soldering iron on the printed electronic circuit board